产品中心 PRODUCT CENTER
滚轮轴承
① 高的径向承载能力
② 带轴向定位型产品可承受一定的轴向载荷
③ 可以承受轻微不对中影响产生的偏载和歪斜运转
④ 优化的外表面轮廓,减少了与导轨间的接触应力,提高导轨寿命
⑤ 优化的滚道和滚子形状,保证了轴承的长寿命
了解更多 LEARN MORE 滚轮轴承
转盘轴承
① 单元化结构,主机结构紧凑,优化动力传输
② 相邻机器部件连接安装便捷
③ 承载能力强,可承受各种联合载荷
了解更多 LEARN MORE 转盘轴承
深沟球轴承
① 具有低的摩擦力矩,低振动、低噪音进行优化,适用于高速运转。
② 结构简单、标准化加工工艺,可靠耐用,性价比高。
③ 可承受径向和轻轴向两个方向轴向载荷,易于安装,维护成本低。
了解更多 LEARN MORE 深沟球轴承
调心球轴承
① 具有自调心能力。不仅可以承受轴挠曲造成的动态不对中,还能承受因加工或安装产生的静态不对中。
② 具有低的摩擦力矩,噪音与振动低,即使在高速工况下温升也较低。
③ 具有较低的最小载荷要求。
了解更多 LEARN MORE 调心球轴承
角接触球轴承
① 更高承载性能
② 可承载径向和轴向联合载荷,通过多套单列组配或者双列轴承可以承受双向的轴向载荷。
③ 多套配置的单列轴承和双列轴承具有较高的刚性。
④ 高精度的产品保证了轴承的高转速和良好的运行性能。
了解更多 LEARN MORE 角接触球轴承
滚针轴承
① 径向截面小,适用于非常小的轴与轴承座安装空间
② 优化的滚针和滚道形状设计,能够提供更高的径向载荷能力
③ 高精度的滚针轴承可以获得较高的运转精度
了解更多 LEARN MORE 滚针轴承
圆柱滚子轴承
① 具有良好的刚性并承受高的径向载荷
② 非定位结构具有一定的轴向位移
③ 滚子优化的母线轮廓减少了滚子与滚道接触的边缘应力以及减小安装对中和轴挠曲对整体性能的影响,使用寿命长
了解更多 LEARN MORE 圆柱滚子轴承
调心滚子轴承
① 具有自调心性能,不仅可以承受轴挠曲造成的动态不对中,还能承受因加工或安装产生的静态不对中。
② 高的径向承载能力和一定的轴向承载能力
③ 优化的内部结构设计、滚子形状和保持架结构使轴承具有长的使用寿命
了解更多 LEARN MORE 调心滚子轴承
圆锥滚子轴承
① 可承受轴向与径向的联合负荷
② 低摩擦、噪音和振动,更长的寿命
③ 组配产品可以满足最适合的预负载和刚性需求
④ 可分离和互换的零件更便于安装、拆卸与维护
了解更多 LEARN MORE 圆锥滚子轴承
推力球轴承
① 承受轴向载荷
② 可分离的组件,便于安装拆卸和维护
③ 带球型座圈的产品,可适应不对中的影响
了解更多 LEARN MORE 推力球轴承
推力滚子轴承
① 优化的保持架设计,可靠的固定和引导更多的滚针,提供高的承载能力
② 可以在极小的轴向空间内提供非常高的刚性
③ 优化的滚针和滚道形状设计,减少边缘接触应力的产生,具有更长的寿命
了解更多 LEARN MORE 推力滚子轴承
交叉滚子轴承
① 可承受径向力、两个方向的轴向力、倾覆力矩和联合负荷
② 满足高刚性场合应用
③ 高精度运转并可以提供预加负载
了解更多 LEARN MORE 交叉滚子轴承
轴承座(带座轴承)
① 可承受轴、径向联合载荷
② 结构紧凑
③ 球面座孔对长轴系对中具有一定的调心功能
④ 大型带座轴承可以采用分体结构,安装维护方便
了解更多 LEARN MORE 轴承座(带座轴承)
滑动轴承
① 负荷大承载高,可承受轴向与径向的联合负荷
② 面接触轴承,适用于高速轻载工况
③ 运转平稳、可靠、无噪声
了解更多 LEARN MORE 滑动轴承
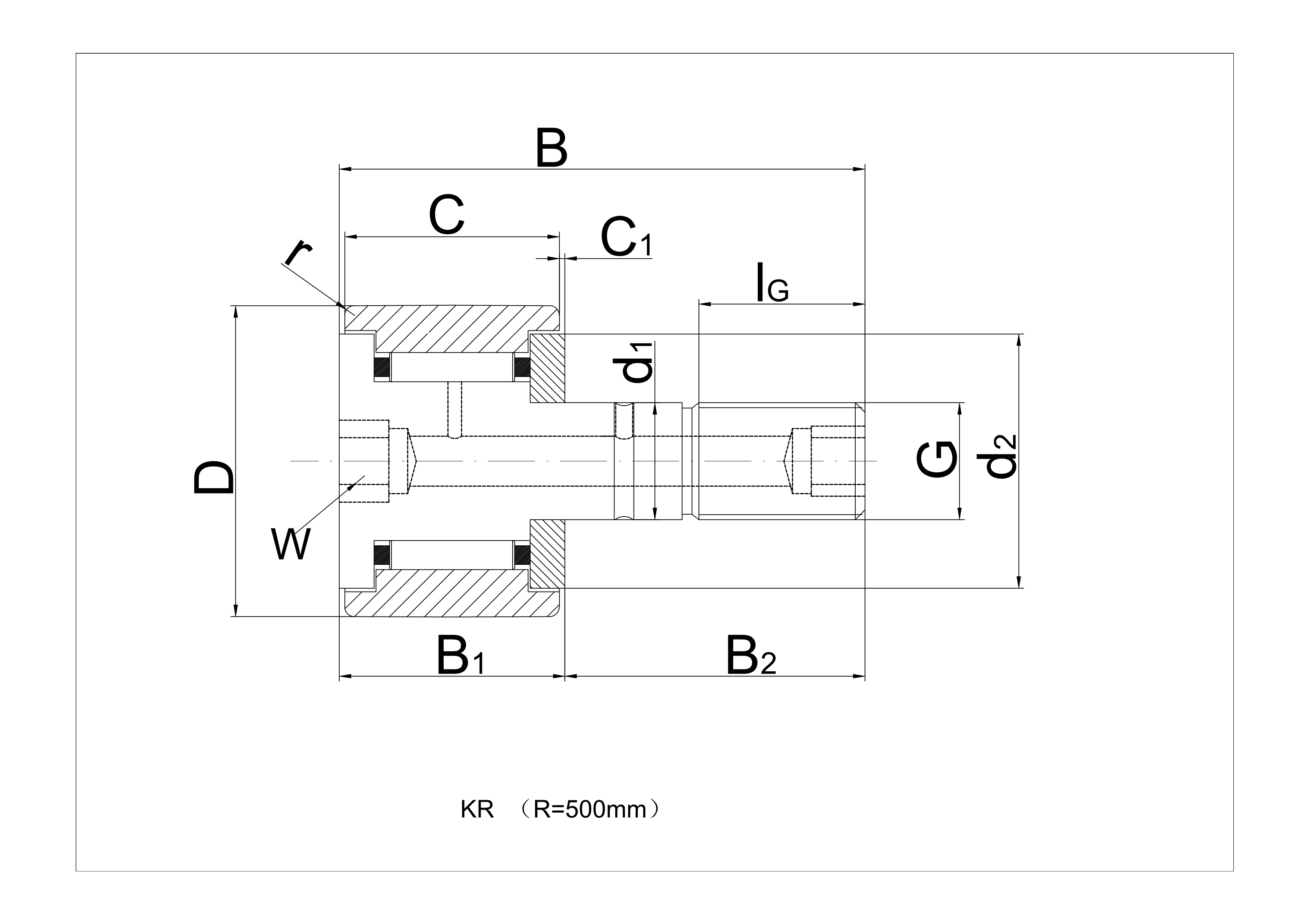
KR 30 , CF 12 BR

KR 30

螺栓型滚轮公制 - KR系列
技术规格